產品介紹
混合氣體流量計,測量混合氣體流量可以使用氣體渦輪流量計,旋進旋渦流量計流量計,氣體羅茨流量計,
下邊分別介紹這三款流量計
WF-LWQ-C氣體渦輪流量計
概述
WF-LWQ-C氣體渦輪流量計是一種新型的速度式儀表。它具有精度高,重復性好,結構簡單,耐高壓,體積小,重量輕,壓力損失小,操作簡單,維修方便等優點,溫壓補償儀表可集流量,溫度,壓力檢測功能于一體,并能進行溫度,壓力,壓縮因子自動補償。是石油,化工,電力,工業鍋爐等工業,行業的燃氣計量和城市天然氣,燃氣調壓站封閉管道低粘度氣體的體積流量和總量及燃氣熱計量的理想氣體流量檢測儀表。
WF-LWQ-C氣體渦輪流量計性能指標
渦輪流量傳感器 | 電源 | 性能指標 |
DC24V | 無現場顯示功能,僅將流量信號轉變為工況脈沖信號遠傳輸出。適合用于與二次儀表,PLC,DCS系統等計算機控制系統配合使用。 | |
氣體渦輪流量變送器 | DC24V | 無現場顯示功能,僅將流量信號轉變為兩線制電流信號(4-20Ma)遠傳輸出。適合用于與二次儀表,PLC,DCS系統等計算機控制系統配合使用。 |
現場顯示氣體渦輪流量計 | DC3.6V鋰電池 | 顯示積算一體化的新型智能儀表。結構緊湊,讀數直管,可靠性高,不受外界電源干擾,抗雷擊,價格低廉。液晶顯示瞬時流量和累積流量。儀表僅僅有現場顯示功能,無信號輸出。 |
智能型氣體渦輪流量計 | DC24V | 顯示積算一體化的新型智能儀表。結構緊湊,讀數直管,可靠性高,不受外界電源干擾,抗雷擊,價格低廉。液晶顯示瞬時流量和累積流量。所儀表有現場顯示功能,有信號輸出,可以與二次儀表,PLC,DCS系統等計算機控制系統配合使用。 |
溫壓補償型(方形表頭,圓形表頭)氣體渦輪流量計 | DC24V,DC3.6V鋰電池雙供電 | 該類儀表屬于溫度壓力補償一體化的新型智能儀表。采用液晶顯示,對比度高,功耗低。多種電信號輸出模式可選,工況、標況測量模式可選,多路報警設置,可進行定量控制。還有基于RS485接口的MODBUS協議通訊功能。 |
氣體渦輪流量計量程范圍
公稱通徑 (mm) | 型號 | 標準量程 (m3/h) | 擴展量程 (m3/h) | 常規耐壓等級(Mpa) | 特質高壓等級 (Mpa) | 安裝方式 | ||
DN25 | LWQ-C-25 | S | 2.5-25 | W | 4-40 | 1.6 | 2.5,4.0 | 法蘭(螺紋) |
DN40 | LWQ-C-40 | S | 5-50 | W | 6-60 | 1.6 | 2.5,4.0 | 法蘭(螺紋) |
DN50 | LWQ-C-50 | S1 | 6-65 | W1 | 5-70 | 1.6 | 2.5,4.0 | 法蘭 |
S2 | 10-100 | W2 | 8-100 | 1.6 | 2.5,4.0 | |||
DN65 | LWQ-C-65 | S | 15-200 | W | 10-200 | 1.6 | 2.5,4.0 | 法蘭 |
DN80 | LWQ-C-80 | S1 | 13-250 | W | 10-160 | 1.6 | 2.5,4.0 | 法蘭 |
S2 | 20-400 | |||||||
DN100 | LWQ-C-100 | S1 | 20-400 | W | 13-250 | 1.6 | 2.5 | 法蘭 |
S2 | 32-650 | |||||||
DN125 | LWQ-C-125 | S | 25-700 | W | 20-800 | 1.6 | 2.5 | 法蘭 |
DN150 | LWQ-C-150 | S1 | 32-650 | W | 80-1600 | 1.6 | 2.5 | 法蘭 |
S2 | 50-1000 | |||||||
DN200 | LWQ-C-200 | S1 | 80-1600 | W | 50-1000 | 1.6 | 法蘭 | |
S2 | 130-2500 | |||||||
DN250 | LWQ-C-250 | S1 | 130-2500 | W | 80-1600 | 1.6 | 法蘭 | |
S2 | 200-4000 | |||||||
DN300 | LWQ-C-300 | S | 200-4000 | W1 | 130-2500 | 1.6 | 法蘭 | |
W2 | 320-6500 | 1.6 | ||||||
氣體渦輪流量計安裝尺寸
公稱通徑(mm) | 法蘭連接 | |||||
儀表長度L1(mm) | 法蘭外徑D(mm) | 螺栓孔距K(mm) | 螺栓孔距D(mm) | N(孔數) | 螺栓規格 | |
25 | 170 | 115 | 85 | 4 | 14 | M12*50 |
40 | 200 | 150 | 110 | 4 | 18 | M16*55 |
50 | 200 | 165 | 125 | 4 | 18 | M16*60 |
65 | 240 | 185 | 145 | 4 | 18 | M16*65 |
80 | 240 | 200 | 160 | 8 | 18 | M16*70 |
100 | 300 | 220 | 180 | 8 | 18 | M16*80 |
125 | 340 | 250 | 210 | 8 | 18 | M16*80 |
150 | 450 | 285 | 240 | 8 | 22 | M20*80 |
200 | 600 | 340 | 295 | 12 | 22 | M20*90 |
250 | 500 | 403 | 355 | 12 | 26 | M24*90 |
300 | 500 | 460 | 411 | 12 | 26 | M24*100 |
WF-LUX旋進旋渦流量計量程范圍:
公稱通徑DN(mm) | 類型 | 流量范圍(m3/ h) | 工作壓力(MPa) | 精度等級 | 重復性 |
25 | 1.0~30 | 1.6 2.5 4.0 6.3 | 1.0 1.5 | 小于基本誤差限絕對值的1/3 | |
32 | 2.0~60 | ||||
50 | A型 | 3.0~150 | |||
B型 | 2.5~75 | ||||
80 | A型 | 20~400 | |||
B型 | 10~200 | ||||
100 | A型 | 40~800 | |||
B型 | 30~600 | ||||
150 | A型 | 100~1800 | |||
B型 | 40~900 | ||||
200 | 180~3600 | 1.6;2.5;4.0 |
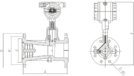
旋進旋渦流量計尺寸圖
流量計的外形尺寸如圖3所示,圖中未注尺寸列于表1中,流量計采用法蘭連接方式,法蘭尺寸 執行GB/T9112~9113-2000標準。

公稱 通徑 DN |
流量 計長 度A | PN1.6~4.0MPa | |||||||||||||||||
H |
D |
K |
n |
L |
d |
H |
D |
K |
n |
L |
d |
H |
D |
K |
n |
L |
d | ||
25 |
200 |
305 |
125 |
85 |
4 |
14 |
65 | ||||||||||||
32 | 200 | 320 | 140 | 100 | 4 | 18 | 76 | ||||||||||||
50 | 230 | 330 | 165 | 125 | 4 | 18 | 99 | ||||||||||||
80 | 330 | 360 | 200 | 160 | 8 | 18 | 132 | ||||||||||||
PN1.6MPa | ※PN2.5~4.0MPa | ||||||||||||||||||
100 | 410 | 376 | 220 | 180 | 8 | 18 | 156 | 390 | 235 | 190 | 8 | 22 | 156 | ||||||
150 | 570 | 430 | 285 | 240 | 8 | 22 | 211 | 450 | 300 | 250 | 8 | 26 | 211 | ||||||
PN1.6MPa |
PN2.5MPa | ※PN4.0MPa | |||||||||||||||||
200 | 700 | 470 | 340 | 295 | 12 |
22 |
266 | 490 |
360 | 310 |
12 |
26 |
274 |
510 |
375 |
320 |
12 |
30 |
284 |
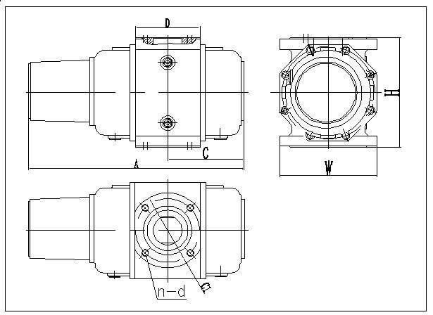
氣體羅茨流量計尺寸圖


型號規格 | 公稱通徑 DN | A | C | W | H | 法蘭 | |
(mm) | (mm) | (mm) | (mm) | C1 | n-d | ||
LLQ-20 | 25 | 235 | 90 | 105 | 128 | φ85 | 4-M12 |
LLQ-40 | 40 | 307 | 120 | 105 | 128 | φ110 | 4-M16 |
LLQ-60 | 50 | 385 | 140 | 185 | 172 | φ125 | 4-M16 |
LLQ-85 | 50 | 420 | 156 | 185 | 172 | φ125 | 4-M16 |
LLQ-100 | 80 | 460 | 175 | 185 | 172 | φ160 | 8-M16 |
LLQ-150 | 80 | 490 | 190 | 185 | 172 | φ160 | 8-M16 |
LLQ-200 | 80 | 485 | 185 | 235 | 246 | φ160 | 8-M16 |
LLQ-250 | 100 | 565 | 230 | 235 | 246 | φ180 | 8-M16 |
LLQ-300 | 100 | 565 | 230 | 235 | 246 | φ180 | 8-M16 |
LLQ-350 | 100 | 565 | 230 | 235 | 246 | φ180 | 8-M16 |
LLQ-450 | 100 | 655 | 275 | 235 | 246 | φ180 | 8-M16 |
LLQ-600 | 100 | 655 | 275 | 235 | 246 | φ180 | 8-M16 |
LLQ-650 | 150 | 640 | 293 | 450 | 380 | φ240 | 8-M20 |
LLQ-800 | 150 | 640 | 293 | 450 | 380 | φ240 | 8-M20 |
LLQ-1000 | 150 | 705 | 352 | 450 | 550 | φ240 | 8-M20 |
LLQ-1600 | 200 | 765 | 401 | 450 | 550 | φ295 | 8-M20 |
氣體羅茨流量計量程范圍
型規格號 | 公稱通徑DN(mm) | 量程比 | 流量范圍(m3/h) | 始動 流量 m3/h | Qmax 壓力損失 Pa | 公稱 壓力 MPa | 材質 |
LLQ-20 | 25 | 20:1 | 1-20 | 0.07 | 110 | 1.6MPa | |
LLQ-40 | 40 | 40:1 | 1-40 | 0.06 | 140 | ||
LLQ-60 | 50 | 65:1 | 1-65 | 0.07 | 120 | ||
LLQ-85 | 50 | 70:1 | 1.2-85 | 0.07 | 160 | ||
LLQ-100 | 80 | 70:1 | 1.5-100 | 0.06 | 170 | ||
LLQ-150 | 80 | 120:1 | 1.2-150 | 0.05 | 150 | ||
LLQ-200 | 80 | 70:1 | 3-200 | 0.15 | 180 | ||
LLQ-250 | 100 | 80:1 | 3-250 | 0.16 | 190 | ||
LLQ-300 | 100 | 120:1 | 2.5-300 | 0.12 | 200 | ||
LLQ-350 | 100 | 110:1 | 3-350 | 0.15 | 300 | ||
LLQ-450 | 100 | 110:1 | 4-450 | 0.11 | 400 | ||
LLQ-500 | 100 | 125:1 | 4-500 | 0.11 | 500 | ||
LLQ-650 | 150 | 80:1 | 8-650 | 0.65 | 560 | ||
LLQ-800 | 150 | 80:1 | 10-800 | 0.65 | 580 | ||
LLQ-1000 | 150 | 90:1 | 11-1000 | 0.8 | 600 |
用戶可以根據自己需求進行選型。
青島萬安電子技術有限公司主營產品:渦街流量計,電磁流量計,渦輪流量計,顯示儀表,熱量表,差壓式儀表,分析儀器,水質監測設備,壓力儀表等,以及承接電氣自動化項目。歡迎來電咨詢。
熱線電話:0532-67731362 /0532-67731361



微信公眾號